СиСофт Девелопмент
После ухода из России иностранных вендоров институт перешел на использование отечественных цифровых решений для проектирования. В частности, компания использует программные продукты Model Studio CS и CADLib от АО «СиСофт Девелопмент», а также «Топоматик Robur» от научно-производственной фирмы «Топоматик». За время внедрения институт успешно спроектировал объекты, прошедшие государственную экспертизу.

Специфика ТИМ для линейных объектов
Из-за ухода зарубежных вендоров с отечественного рынка появились новые требования к проектам: возникла необходимость перенести процессы проектирования дорожных объектов из AutoCAD и MicroStation в российские системы автоматического проектирования (САПР), которые работают на принципах технологий информационного моделирования (ТИМ). Однако ТИМ для линейных объектов характеризуются спецификой, которая должна учитывать ряд требований:
• дорожные объекты имеют большую протяженность, при проектировании каждого раздела есть серьезные отличия, поэтому выбрать один программный комплекс, который смог бы перекрыть все потребности участников проекта, невозможно;
• требуется увязка всех проектных решений между собой;
• необходимо организовать удобную совместную работу специалистов разных подразделений в одной инженерной сети;
• требуется возможность получения полного комплекта проектной документации по технологической, линейной и конструктивной части из цифровой информационной модели (ЦИМ).
Для конструктивных решений и инженерной проработки узлов, а также для проектирования зданий, входящих в инфраструктуру линейного объекта, были выбраны модули Modеl Studio CS Строительные решения и Model Studio CS Трубопроводы. Для инженерно-геодезических изысканий, автомобильных дорог и инженерных сетей институт использовал российский продукт «Топоматик Robur». Совместная работа проектировщиков и инженеров осуществлялась в информационной системе CADLib Модель и Архив.
Нюансы внедрения САПР
После выбора САПР был создан поэтапный план внедрения. Специалисты «Института САПР и ГИС» (ГК «Русский САПР») провели административные курсы для ТИМ-специалистов, чтобы те освоили принципы работы с большинством инструментов Model Studio CS. Затем стартовали пилотные проекты для обкатки программного обеспечения (ПО) в режиме реального времени и отработки взаимодействия проектных групп. На этом этапе были отобраны готовые проекты, на основе которых собраны демонстрационные стенды. Чтобы оценить возможность вывода документации из моделей, работы проводили специалисты отделов инфраструктурных объектов.
«Во время создания стендов мы получили наработки по оформлению и выводу спецификации. Спецификатор Model Studio CS оказался гибким для настройки, а платформа CADLib закрыла вопросы по доработке чертежей. На основе этого опыта мы создали специализированные курсы программы обучения. Сейчас они уже выгружаются на нашу платформу, ведутся финальные доработки», — рассказал ТИМ-координатор отдела инфраструктурных объектов ООО «Институт «Мосинжпроект» Сергей Морозов.
Параллельно специалисты института наладили выпуск документации из модели и разработали схему взаимодействия проектных отделов в ПО, а также схему работы над проектом.
Как выглядит проектирование
Моделирование начинается в «Топоматик Robur», где формируются цифровая модель местности, модель геологии, а при необходимости — модель дорог. Затем подключаются проектировщики инженерных сетей. Они размечают план и профиль сети и примерное положение колодцев. Далее специалисты работают в Model Studio CS над деталировкой: конструктивными и технологическими решениями, проработкой узлов.
Обмен производится при помощи IFC-файлов и подложек DVG. Все это формируется в виде сводных моделей в «Топоматик Robur» и CADLib. Для выгрузки в экспертизу и отработки взаимодействия главных инженеров проектов сформирована сводная модель в файлах PIM, где также дорабатываются документы и задания на моделирование. Благодаря использованию формата IFC в этой схеме параллельно можно применять и другие САПР.
Проектирование водоснабжения и канализации: все включено

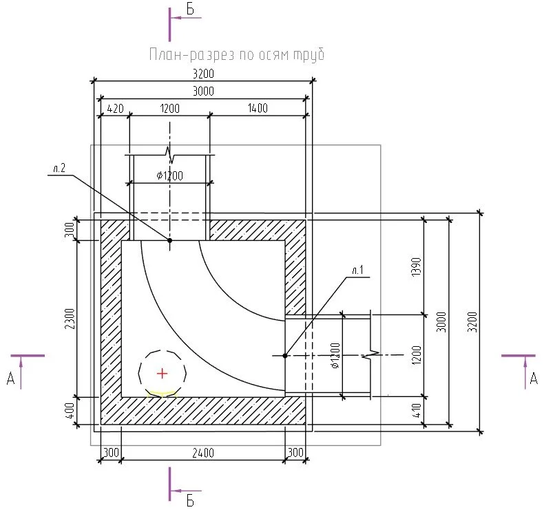
Схема использования САПР отличается в зависимости от инженерной сети. При проектировании канализации после формирования цифровой модели рельефа технологи приступают к моделированию в «Топоматик Robur». На этом этапе они прорабатывают план-профиль, условное отображение положения камер, после чего данные передают в Model Studio CS. При экспорте файлов IFC из «Топоматик Robur» в CADLib конструкторы могут переносить часть модели, например, колодец, трубы, которые к нему подводятся. Такой способ позволяет не перегружать рабочий файл. Также через инструменты CADLib можно настроить локальную систему координат в конкретной точке, чтобы организовать оптимальную сборку одной камеры.

«Для типовых камер, конфигурация которых точно известна и где используются только заводские элементы, в качестве эксперимента применялся редактор оборудования. Комплексная система информационного моделирования Model Studio CS позволила собрать сложный колодец, в котором с помощью «ручек» можно переключать количество колец, включать и выключать отверстия, менять их положение, настраивать бетонную подготовку. После перевода данных в спецификации изменяется отображение в 3D», — отметил Сергей Морозов.
Кроме передачи IFC, в качестве исходных данных и для выпуска комплекта документации из среды «Топоматик Robur» выводятся планы и профили сети. План подключается в формате подложки, а с профиля можно снимать высотные отметки характерных точек.
Использование ЦИМ-геологии позволяет значительно упростить процессы подготовки документации за счет автоматического формирования геологических разрезов для продольных профилей проектируемых инженерных сетей. Это ускоряет процесс, если нужно изменить плановые или высотные положения. Model Studio CS используется для проработки узлов сети, потому что это ПО позволяет реализовать полный цикл проектирования: в него входит в том числе и получение документации. С камер удается взять планы и разрезы по осям труб, арматурные чертежи, спецификации и все необходимое по конструктивной части.
Особенности проектирования теплосети

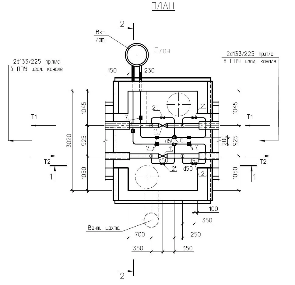
Проектирование теплосети с точки зрения инженерной части сложнее, потому что ее нужно прокладывать также и в железобетонных каналах с раскладкой плит, сборных по перекрытию. Поэтому часто требуется линейная проработка конструктива.
План и профиль детализируются в «Топоматик Robur», но затем подключаются не конструкторы, как в случае с канализацией, а технологи, которые получают IFC и занимаются технологическим устройством узлов — арматуры и отводов в камерах. Потом формируются габариты, куда нужно вписать конструкции, чтобы окончательно сформировать теплосеть. На этом этапе к работе приступают конструкторы, которые начинают с модуля сети в Modеl Studio CS Трубопроводы. Это позволяет быстро получить конструкцию по сечениям. Файлы передают через CADLib в Model Studio CS Строительные решения, где модель точечно дорабатывается по узлам.
При выводе документации из Model Studio CS нужно совместить на планах технологическую и конструктивную части. Нередко требовалось лишь подключить к объекту проекта конструкцию, но иногда, например, для арматурных чертежей, приходилось использовать Model Studio CS Строительные решения.
Помимо сетей, были созданы стенды, отображающие здания инфраструктуры линейных объектов. Model Studio CS позволяет проектировать такие объекты, в том числе и металлоконструкции. При этом есть возможность получения детализированной документации.

Во время формирования структуры в CADLib были назначены коды для каждого уровня структуры. Через именную формулу создания файла при публикации по внутренним нормативным документам института автоматически формируются все файлы публикации в зависимости от привязки к структуре зданий и сооружений. Также настроены скрипты на выгрузку в IFC, с помощью которых объекты успешно прошли согласование в Мосгосэкспертизе.
Что дальше?
Специалисты Института «Мосинжпроект» развернули сетевые настройки, содержащие DWT-шаблоны, профили проекций экспорта данных, параметры, которые присваиваются по умолчанию для всех типов объектов, новые условно-графические отображения. Сформированные базы под строительные решения и трубопроводы продолжают пополняться: уже внесено более тысячи объектов, кроме того, дорабатываются существующие.
Для проектировщиков и ТИМ-специалистов размещены первичные блоки по курсам Modеl Studio CS с учетом специфики наружных сетей. Сейчас для этого используется специальный онлайн-портал, где после обучения сотрудники тестируются.
В планах Института «Мосинжпроект» дополнить шаблоны и модули обучения, усовершенствовать механизм взаимодействия при создании пилотных проектов. Также предстоит доработать шаблоны на основе инструментов сетевых настроек, автоматизировать обмен IFC и выдачу заданий между контурами.
Номер публикации: №30 22.08.2025